登录入口 | PRODUCTS
联系我们 | CONTACT US
- 内贸部:18953701056 (刘广臣)
- 外贸部:18063200578 (任真真)
硬碳负极材料
一、产品性能
硬碳是一种通过高温碳化高分子聚合物、生物质或特定前驱体制备的非石墨化碳材料,具有无序微晶结构、丰富的纳米空隙和较大的层间距。其独特的物理化学性质使其在新能源、储能、环保等领域具有广泛应用,尤其在钠离子电池负极材料中表现优异。
二、技术指标
| 指标 | 单位 | HC-300 | HC-320 | HC-340 |
| 比容量 | mAh/g | 300±5 | 325±5 | 340±5 |
| 首次效率 | % | ≥93 | ≥92 | ≥88 |
| 比容量(典型值) | mAh/g | 300 | 325 | 340 |
| 首次效率(典型值) | % | 93 | 92 | 89 |
| 平均粒D50 | μm | 5~8 | 5~8 | 5~8 |
| 比表面积 | m2/g | ≤10 | ≤10 | ≤10 |
| 振实密度 | g/Cm3 | 0.6±0.1 | 0.6±0.1 | 0.6±0.1 |
| 粉末压实密度 | g/Cm3 | 1.1±0.05 | 1.1±0.05 | 1.1±0.05 |
| 水分 | % | ≤0.5 | ≤0.5 | ≤0.5 |
三、产品参数
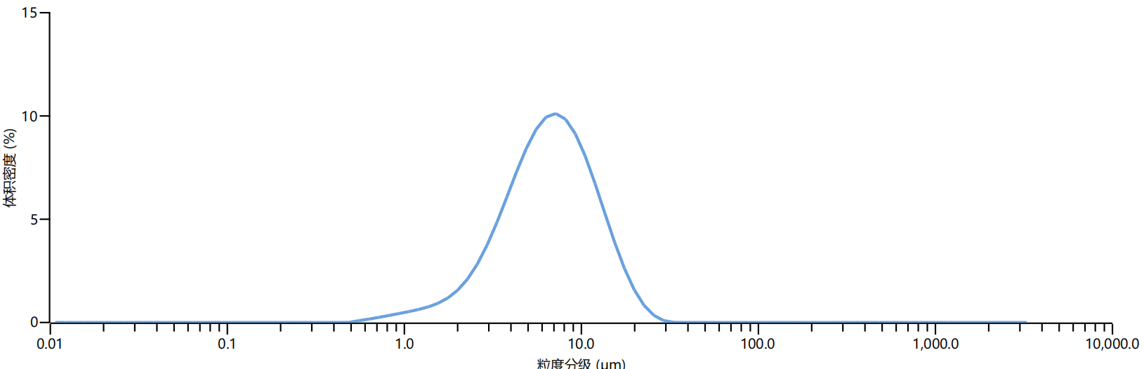
HC-320粒径分布图
HC-320 SEM图
HC-320半电池初始充放电曲线
四、包装与运输
标准包装:10kg/袋(铝箔袋+防水编织袋),或根据客户需求定制。
运输要求:防潮、放剧烈震动,按非危险品运输。
五、安全与储存
安全提示:硬碳粉末需避免吸入,操作时需佩戴防尘口罩及护目镜。远离明火,虽不易燃,但高温下可能分解产生一氧化碳。
储存条件:密封保存于阴凉干燥处,湿度≤30%,温度≤25℃。开封后建议充惰性气体(如氮气)保护,防止氧化。
销售热线:0632-5113088 销售传真: 0632-5113155
地址:山东省枣庄市市中区十里泉东路1号 网址:http://www.onlinecameraed.com E-mail:th@thwater.com
版权所有© :2006-2024 milan米兰体育(中国区)体育官方网站 鲁ICP备09091669号-43
地址:山东省枣庄市市中区十里泉东路1号 网址:http://www.onlinecameraed.com E-mail:th@thwater.com
版权所有© :2006-2024 milan米兰体育(中国区)体育官方网站 鲁ICP备09091669号-43

